导语
在NDIR(非色散红外)气体分析系统中,探测器决定了“能不能看到”,而红外光源决定了“能看多清楚”和“能看多久”。面对工业现场的高温、高湿及腐蚀性气体,普通光源往往面临衰减快、漂移大、封装泄漏等致命问题。今天,我们将深入剖析 Micro-Hybrid 的旗舰级产品——JSIR 350-4。这款基于MEMS技术、搭载独家HermeSEAL®密封工艺的红外辐射源,正在重新定义高端气体分析的性能基准。
一、核心突破:不仅仅是发光,更是“精密辐射”
在气体分析领域,光源的稳定性直接决定了PPM级测量的准确性。JSIR 350-4 并非普通的红外灯泡,它是一款基于TO 39 封装的优质微机电系统(MEMS)红外辐射源。
它的核心竞争力源自于材料学的突破——纳米非晶碳(NAC)涂层。

Micro-Hybrid 将标准硅材料技术与NAC涂层完美结合,使得 JSIR 350-4 具备了以下统治级性能:
• 极致的高温输出:薄膜温度可达850°C。根据斯特藩-玻尔兹曼定律,更高的温度意味着更强的红外辐射功率,这直接提升了系统的信噪比(SNR),让微量气体信号无处遁形。
• 真正的MEMS结构:与传统灯泡相比,MEMS结构允许极高的调制频率。JSIR 350-4 的时间常数典型值仅为17ms(N₂填充下),这意味着它可以快速响应,支持更高采样率的动态监测。
• 长期稳定性:NAC材料的化学惰性和热稳定性,保证了光源在长期工作中辐射率不衰减。
二、独家黑科技:HermeSEAL®重新定义“密封”
对于工业级传感器而言,最大的敌人往往不是电路故障,而是环境侵蚀。
普通红外光源的窗口通常采用胶粘工艺,随着时间推移,胶水老化会导致湿气渗入、保护气泄漏,最终导致光源氧化烧毁。
Micro-Hybrid拿出了杀手锏——HermeSEAL technology®(密封封装技术)。
这是一项专为恶劣环境设计的独特工艺。JSIR 350-4 摒弃了传统胶粘,实现了窗口与金属管座的气密性焊接。
• 无惧恶劣环境:无论是高湿度的烟气排放监测,还是存在腐蚀性气体的化工场景,HermeSEAL® 都能像盾牌一样保护内部MEMS芯片。
• 填充气体的长期锁定:该技术确保了内部填充的惰性气体(如氮气N₂或氪气Kr)不会泄漏,从而维持恒定的热传导率和发光效率。
三、数据说话:10万小时的“长跑冠军”
寿命是客户最关心的ROI(投资回报率)指标。JSIR 350-4 的技术数据令人印象深刻:
• 在610°C的有源区温度下:预估寿命超过100,000小时。这意味着在标准工况下,它可以连续工作超过11年!
• 在740°C的超高温下:依然能保持超过5,000小时的寿命,满足极端测试需求。

关键技术参数一览:

四、全谱系覆盖:从环保到工业安全的“多面手”
得益于其宽广的光谱范围(1-20µm)和灵活的窗口配置,JSIR 350-4 成为了多组分气体分析的理想选择。
它可以精准捕捉以下目标气体:
• 环境监测:二氧化碳(CO₂)、二氧化氮(NO₂)、硫氧化物(SOₓ)
• 工业安全:一氧化碳(CO)、氨气(NH₃)
• 电力行业:六氟化硫(SF₆,高压开关柜检漏关键指标)
• 农业科技:乙烯(C₂H₄)、乙炔(C₂H₂,果蔬催熟监控)
为了适应不同的光学设计,Micro-Hybrid 提供了极高自由度的定制化菜单:
1.封装形式:
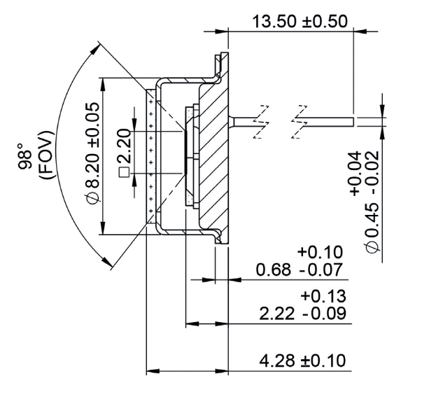
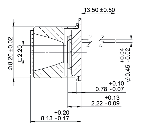
可选带帽盖(Cap)或 带反射器(Reflector)。带反射器版本(如 JSIR350-4-AL-R 系列)能显著提高轴向辐射强度,适合长光程气室。

AA - JSIR 350 带滤光片反射器

AA - JSIR 350 带滤光片帽盖
2.窗口材料:
• 蓝宝石(Sapphire):坚固耐用,适合可见光到中红外。
• 氟化钙(CaF₂)/氟化钡(BaF₂):透射率极高,适合更宽的红外波段。
• 硅(Silicon):特定的滤波特性。
3.填充气体:
氮气(N₂)提供高性价比,氪气(Kr)则提供更低的热导率,进一步提升能效。
五、选型指南:如何读懂型号?
面对众多的配置,如何快速锁定您需要的产品?让我们看几个典型配置:
JSIR350-4-AL-C-D5.8-2-A2:
• C = Cap(带帽盖)
• Kr = 氪气填充(高性能)
• A2 = CaF₂ 窗口(宽光谱)
• 适用场景:高精度、宽光谱的通用气体分析。
JSIR350-4-AL-R-D6.0-1-A1:
• R = Reflector(带反射器)
• N₂ = 氮气填充
• A1 = 蓝宝石窗口
• 适用场景:需要高光强输出、针对特定波段的工业检测。
结语
在精密光电检测的链条中,光源往往是被忽视的一环,但它恰恰是决定系统上限的基石。Micro-Hybrid JSIR 350-4 用850°C的高温实力和 HermeSEAL®的密封盾牌,证明了它是NDIR气体分析仪、DIR/ATR光谱仪以及光声光谱系统的理想搭档。
稳定,始于光源;精准,源自核心。