小小U型光电开关,藏着大智慧在高度自动化的现代工厂里,有这样一种装置:槽型光电开关不像机械臂那样引人注目,也不像控制系统那样声势浩大,却遍布生产线的每个关键节点,默默守护着自动化流程的顺畅运行——这就是槽型光电开关。作为这一领域的专业供应商,东莞市洲创实业有限公司凭借15年的行业经验,为各类产品设备提供高品质的槽型光电开关。
什么是槽型光电开关?
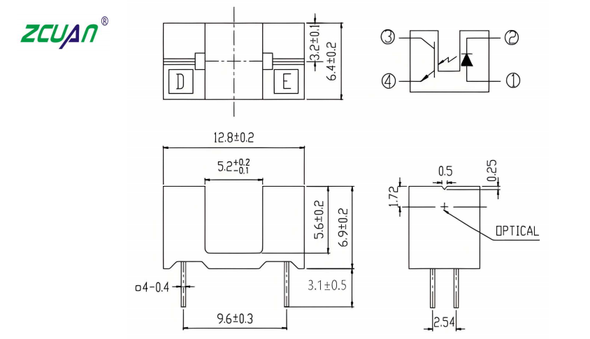
槽型光电开关,又称U型光电开关,是一种对射式红外线感应光电产品。其核心结构由红外线发射管和红外线接收管组成,两者分别位于U型槽的两侧,形成一个光轴。
当被检测物体进入U型槽并阻断光轴时,红外线接收管无法接收到发射管发出的红外光,从而产生一个开关信号。这种非接触式检测方式避免了传统机械式开关因磨损而导致的故障问题,大大提高了系统的可靠性与耐久性。洲创实业的槽型光电开关采用优质黑色热塑性外壳,确保性能与可靠性达到行业标准。

槽型光电开关的七大应用场景
1. 工业生产线定位检测
在汽车制造业的装配线上,槽型光电开关可以实时监控零部件的到位情况,确保每个工序的准确执行。其响应速度快、检测距离远的特点,能够有效提高生产线的效率和准确性。
例如,在直线模组应用中,通过在每个模组上配备三个槽型开关,分别用于左极限限位、原点定位和右极限限位的检测,实现负载的灵活移动和精准定位。洲创实业的槽型光电开关具有快速的响应时间,可达微秒级,能够可靠检测高速运动的物体。
2. 光束灯运动控制
光束灯作为舞台灯光效果的核心设备,其精准控制离不开槽型光电开关的协助。槽型光电开关可以用于检测灯体内部机械部件的特定位置(例如图案轮、颜色轮或棱镜的位置),确保这些光学元件能够精确移动到预定位置,从而实现灯光效果准确无误地切换。
洲创实业的ZC-ITR9608等型号具有快速的响应时间和高灵敏度,能避免环境光噪声干扰,确保光束灯的精准控制。
3. 摄像头定位检测
在自动对焦摄像头中,槽型光电开关可以用于检测镜头组件的精确位置,确保自动对焦系统快速准确地对焦于被摄物体。通过检测镜头移动的位置,摄像头能够实现更加精准的焦距控制。
对于安防监控摄像头,槽型光电开关可以应用于云台系统中,检测摄像头的旋转角度和位置,确保监控范围精准可控。洲创实业的产品在-40℃至85℃温度范围内都能稳定工作,适应各种复杂环境。
4. 打印包装机械控制
在办公设备领域,打印机已成为日常工作中不可或缺的工具。洲创实业的槽型光电开关在打印机中发挥着至关重要的作用,通过毫秒级精准检测纸张位置与打印头轨迹,确保打印机高效稳定运行。
在包装机械中,槽型光电开关用于检测包装盒或产品的位置,实现精确的包装控制。洲创实业拥有完善的质量管控体系,从原材料采购到产品生产、检测,每一个环节都严格把关,确保产品质量可靠。
5. 智能门锁安全系统
在智能门锁中,槽型光电开关作为经典的传感元件,正发挥着不可替代的作用。洲创实业根据锁芯规格,为智能门锁挑选合适的对射式光电开关,用于感应钥匙插入是否符合参数所产生的感应动作。
最基础且关键的应用是锁舌状态检测。当用户关门时,锁舌弹出,遮挡住光电开关的光线,接收器接收不到发射器发出的光信号,就会将“锁舌已伸出”的状态反馈给门锁控制系统。
6. 安全监控与门禁系统
在一些安全系统中,槽型光电开关用于入口处的门禁系统,能够在检测到物体遮挡时自动报警,确保安全性。其高可靠性使得它在安全关键应用中备受青睐。
洲创实业的槽型光电开关具有高抗电磁干扰能力,能在复杂电磁环境下稳定工作,为安全系统提供可靠保障。7. 智能家居应用
随着智能家居系统的发展,槽型光电开关与系统的通信适配性也变得尤为关键。部分现代光电开关支持多种通信协议,方便接入智能家居系统。
这种可扩展性使得智能设备能够适应不断升级的智能家居生态。洲创实业提供多种规格的槽型光电开关产品,满足不同智能家居应用的需求。

槽型光电开关的突出特点
槽型光电开关之所以能在众多领域得到广泛应用,源于其独特的技术特点:
检测距离:光电开关的检测距离在槽宽范围内
响应速度快:由于无机械运动,能对高速运动的物体进行检测
适用范围广:几乎不受检测物体的制约,能对金属、玻璃、塑料、木制物体、液体等各种物质进行检测
抗干扰能力强:采用红外光源设计,一般照明光对其影响较小
洲创实业的槽型光电开关采用高品质红外发射管和光敏接收管,具有高灵敏度、快速响应和强抗干扰能力等特点,适用于各种工业自动化场景。
如何正确选型?关键参数不容忽视
要确保槽型光电开关在实际应用中的可靠性和准确性,正确的选型至关重要。
槽宽度是首要考虑因素:检测物体需要通过槽型光电开关的槽来阻挡红外光,因此光电传感器的槽宽应比检测物体宽一些,并留有一定的安装余量。光缝宽度决定了检测精度:如果检测对象是齿盘,要求槽型光电开关的光缝宽度小于齿宽和齿槽宽度,以确保红外光能够有效被阻挡和导通。
使用环境同样重要:在强光或自然光环境中,需要选择能够抵抗强光干扰的传感器,否则容易出现误差或不灵敏的情况。洲创实业提供多种防护等级的槽型光电开关,能够满足不同环境条件下的使用需求。

未来发展趋势
随着工业4.0时代的到来,槽型光电开关正朝着智能化、高精度化方向发展。未来的槽型光电开关将具备更强的数据处理能力和远程监控功能,检测精度也将不断提升,有望实现微米级别的精度检测。
洲创实业作为行业15年企业,不断推进槽型光电开关的技术创新,其产品正朝着智能化、小型化、模块化的方向发展,为工业4.0和智能制造提供更精准、更可靠的检测解决方案。
作为工业自动化的“隐形守护者”,槽型光电开关虽小,却在现代工业生产中发挥着不可替代的作用。从工业制造到智能家居,从精密设备到安全系统,槽型光电开关以其高精度、高可靠性和非接触检测的独特优势,默默守护着现代工业生产的命脉。
东莞洲创实业凭借15年的行业经验和技术积累,为槽型光电开关的应用提供了强有力的技术支持。洲创实业的产品在多个行业得到广泛应用,成为众多自动化设备厂商的可靠选择。
随着技术的不断进步,这一看似简单的装置将继续进化,为工业自动化的发展注入新的活力。在选择和使用槽型光电开关时,只有充分了解其特性和应用要点,才能让它发挥最大的效能,成为您自动化项目中值得信赖的“伙伴”。