电化学阻抗谱ZView软件,涵盖等内容。
什么是电化学阻抗?
EIS提取阻抗()、相位角(Φ)、实部阻抗(Z)和虚部阻抗(imag等参数,并绘制阻抗谱。不同频率下测量这些参数可得到完整的阻抗谱。
ZView安装教程
② 解压完毕后,右键该文件选项,找到“ZView3”应用程序,右键,添加到桌面。


图:Zview软件界面功能介绍。
前处理
① 点击文件输入按钮(红色1),选择All file(红色2),选择要导入的txt文档,点击向右箭头(红色3),导入数据。

② 如下图所示,数据导入成功,点击根据电化学体系的特征,利用电化学知识估计系统中可能存在的等效电路元件及其组合方式。相关操作:
① 在ZView软件上,点开Tool,选择Equivalent Circuits,进入等效电路绘制窗口。如图:

② 根据如图所示,串联/并联电阻元件。

③ 如图所示,根据串联/并联电源组件,建立了一个等效电路。

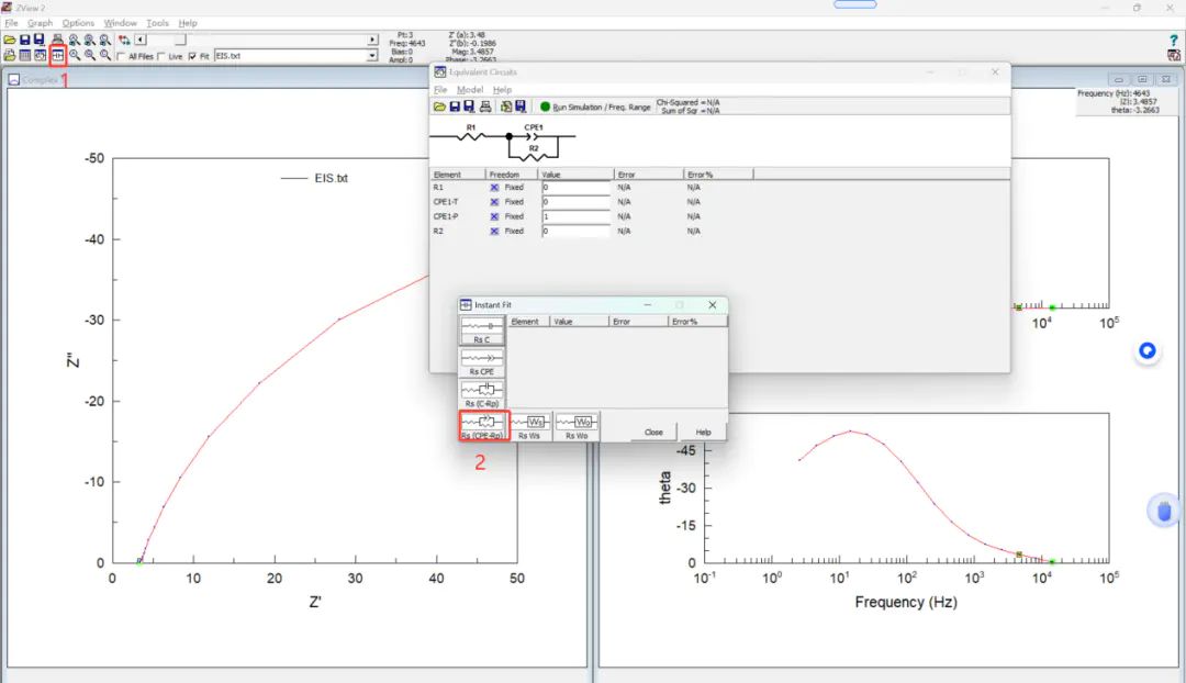
即时拟合电路
① 在进行全局拟合之前,我们需先利用即时拟合功能获取各元件的初始值。如图所示,首先点击“即时拟合”按钮,随后将弹出“Instant Fit”窗口(红色1)。接着,相应的基本等效电路进行即时拟合(红色2)。

② 完成即时拟合后,即可获得元件的初始值,输入到“Equivalent Circuits”里面。

全局拟合
① 然后将Freedom模式里面的Fixed模式换成Free模式(红色1),紧接着设置Fitting模式(红色2),然后按下Run Simulation(红色3),开始阻抗拟合。

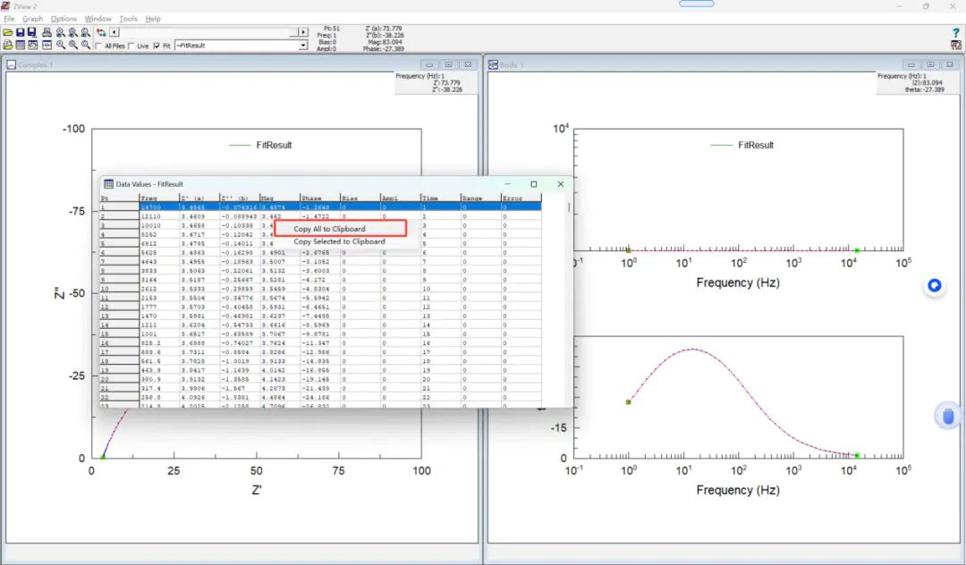
② 点击FitResult,点击数据列表,导出数据,右键,选择红色按钮,即成功导出数据。
